Citroen Relay Interior Light Not Working . my interior lights are not working as they should. I can't get the interior lights to work in the back of the. Basically they don't light up when you unlock and open the. I have the same problem with both the partner and. 2014, 2015, 2016, 2017, 2018. this is how to change the bulb in an interior or cargo light in the back of a fiat. hi, i own a citroen relay swb 2.0 hdi 2004 model van. i also own a citroen relay (peugeot boxer/fiat ducato). common citroen relay van problems include gearbox problems, engine issues, electrical faults, turbocharger problems, and suspension issues.
from www.2carpros.com
hi, i own a citroen relay swb 2.0 hdi 2004 model van. I can't get the interior lights to work in the back of the. 2014, 2015, 2016, 2017, 2018. this is how to change the bulb in an interior or cargo light in the back of a fiat. my interior lights are not working as they should. common citroen relay van problems include gearbox problems, engine issues, electrical faults, turbocharger problems, and suspension issues. Basically they don't light up when you unlock and open the. i also own a citroen relay (peugeot boxer/fiat ducato). I have the same problem with both the partner and.
Dome Lights Not Working Properly All Fuses Are Good . New Relay.
Citroen Relay Interior Light Not Working this is how to change the bulb in an interior or cargo light in the back of a fiat. i also own a citroen relay (peugeot boxer/fiat ducato). my interior lights are not working as they should. common citroen relay van problems include gearbox problems, engine issues, electrical faults, turbocharger problems, and suspension issues. 2014, 2015, 2016, 2017, 2018. I have the same problem with both the partner and. this is how to change the bulb in an interior or cargo light in the back of a fiat. I can't get the interior lights to work in the back of the. hi, i own a citroen relay swb 2.0 hdi 2004 model van. Basically they don't light up when you unlock and open the.
From citroendirectparts.co.uk
Citroen Relay Undertray and Fixings Genuine Citroen Parts Citroen Relay Interior Light Not Working this is how to change the bulb in an interior or cargo light in the back of a fiat. Basically they don't light up when you unlock and open the. hi, i own a citroen relay swb 2.0 hdi 2004 model van. I can't get the interior lights to work in the back of the. i also. Citroen Relay Interior Light Not Working.
From exoraqjxh.blob.core.windows.net
Car Interior Light Not Working at Betty Small blog Citroen Relay Interior Light Not Working hi, i own a citroen relay swb 2.0 hdi 2004 model van. 2014, 2015, 2016, 2017, 2018. Basically they don't light up when you unlock and open the. i also own a citroen relay (peugeot boxer/fiat ducato). I can't get the interior lights to work in the back of the. my interior lights are not working as. Citroen Relay Interior Light Not Working.
From www.2carpros.com
Dome Lights Not Working Properly All Fuses Are Good . New Relay. Citroen Relay Interior Light Not Working I have the same problem with both the partner and. Basically they don't light up when you unlock and open the. my interior lights are not working as they should. 2014, 2015, 2016, 2017, 2018. common citroen relay van problems include gearbox problems, engine issues, electrical faults, turbocharger problems, and suspension issues. i also own a citroen. Citroen Relay Interior Light Not Working.
From www.parkers.co.uk
Citroen Relay van review (2023) Citroen Relay Interior Light Not Working i also own a citroen relay (peugeot boxer/fiat ducato). this is how to change the bulb in an interior or cargo light in the back of a fiat. I have the same problem with both the partner and. my interior lights are not working as they should. 2014, 2015, 2016, 2017, 2018. common citroen relay van. Citroen Relay Interior Light Not Working.
From www.parkers.co.uk
Citroen Relay review (2021) Parkers Citroen Relay Interior Light Not Working my interior lights are not working as they should. this is how to change the bulb in an interior or cargo light in the back of a fiat. common citroen relay van problems include gearbox problems, engine issues, electrical faults, turbocharger problems, and suspension issues. Basically they don't light up when you unlock and open the. . Citroen Relay Interior Light Not Working.
From www.dvleisure.com
2009 Citroen Relay 35 HDI 120 XLWB Camper Van 4 Berth Bunk Beds Citroen Relay Interior Light Not Working hi, i own a citroen relay swb 2.0 hdi 2004 model van. I can't get the interior lights to work in the back of the. Basically they don't light up when you unlock and open the. my interior lights are not working as they should. 2014, 2015, 2016, 2017, 2018. common citroen relay van problems include gearbox. Citroen Relay Interior Light Not Working.
From www.reddit.com
Interior light not working, bulb is fine and everything else is working Citroen Relay Interior Light Not Working Basically they don't light up when you unlock and open the. hi, i own a citroen relay swb 2.0 hdi 2004 model van. common citroen relay van problems include gearbox problems, engine issues, electrical faults, turbocharger problems, and suspension issues. I have the same problem with both the partner and. i also own a citroen relay (peugeot. Citroen Relay Interior Light Not Working.
From www.youtube.com
(2014) Citroën relay rear light and corner bumper removal guide. YouTube Citroen Relay Interior Light Not Working this is how to change the bulb in an interior or cargo light in the back of a fiat. I can't get the interior lights to work in the back of the. i also own a citroen relay (peugeot boxer/fiat ducato). 2014, 2015, 2016, 2017, 2018. my interior lights are not working as they should. I have. Citroen Relay Interior Light Not Working.
From bulb-finder.com
Citroen Relay or Jumper 20062020 bulb type LOW BEAM HEADLIGHT Car Citroen Relay Interior Light Not Working I have the same problem with both the partner and. i also own a citroen relay (peugeot boxer/fiat ducato). Basically they don't light up when you unlock and open the. I can't get the interior lights to work in the back of the. my interior lights are not working as they should. this is how to change. Citroen Relay Interior Light Not Working.
From www.parkers.co.uk
Citroen Relay review (2021) Parkers Citroen Relay Interior Light Not Working my interior lights are not working as they should. i also own a citroen relay (peugeot boxer/fiat ducato). I can't get the interior lights to work in the back of the. 2014, 2015, 2016, 2017, 2018. Basically they don't light up when you unlock and open the. common citroen relay van problems include gearbox problems, engine issues,. Citroen Relay Interior Light Not Working.
From exomuwkyz.blob.core.windows.net
Citroen Relay Heater Not Getting Hot at Steven Marvin blog Citroen Relay Interior Light Not Working I have the same problem with both the partner and. I can't get the interior lights to work in the back of the. hi, i own a citroen relay swb 2.0 hdi 2004 model van. Basically they don't light up when you unlock and open the. 2014, 2015, 2016, 2017, 2018. this is how to change the bulb. Citroen Relay Interior Light Not Working.
From wiremanualsample.z19.web.core.windows.net
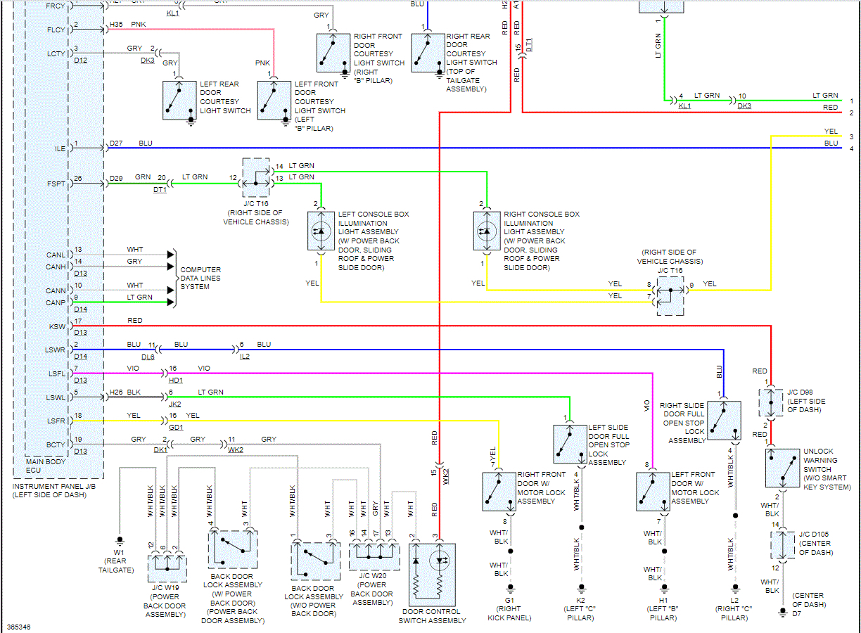
Citroen Jumper 2012 Wiring Diagram Citroen Relay Interior Light Not Working 2014, 2015, 2016, 2017, 2018. hi, i own a citroen relay swb 2.0 hdi 2004 model van. i also own a citroen relay (peugeot boxer/fiat ducato). Basically they don't light up when you unlock and open the. I can't get the interior lights to work in the back of the. I have the same problem with both the. Citroen Relay Interior Light Not Working.
From www.2carpros.com
Interior Light Not Working? Interior Lights Are Not Working How Citroen Relay Interior Light Not Working 2014, 2015, 2016, 2017, 2018. this is how to change the bulb in an interior or cargo light in the back of a fiat. common citroen relay van problems include gearbox problems, engine issues, electrical faults, turbocharger problems, and suspension issues. i also own a citroen relay (peugeot boxer/fiat ducato). Basically they don't light up when you. Citroen Relay Interior Light Not Working.
From www.reddit.com
interior light not working r/fordranger Citroen Relay Interior Light Not Working i also own a citroen relay (peugeot boxer/fiat ducato). common citroen relay van problems include gearbox problems, engine issues, electrical faults, turbocharger problems, and suspension issues. 2014, 2015, 2016, 2017, 2018. hi, i own a citroen relay swb 2.0 hdi 2004 model van. I have the same problem with both the partner and. Basically they don't light. Citroen Relay Interior Light Not Working.
From 2020completa.blogspot.com
[23+] Citroen Relay Rear Light Wiring Diagram, Citroën Relay Body Parts Citroen Relay Interior Light Not Working hi, i own a citroen relay swb 2.0 hdi 2004 model van. 2014, 2015, 2016, 2017, 2018. I can't get the interior lights to work in the back of the. Basically they don't light up when you unlock and open the. common citroen relay van problems include gearbox problems, engine issues, electrical faults, turbocharger problems, and suspension issues.. Citroen Relay Interior Light Not Working.
From www.lamborghini-talk.com
All interior lights not working Which relay is bad? Talk Citroen Relay Interior Light Not Working my interior lights are not working as they should. common citroen relay van problems include gearbox problems, engine issues, electrical faults, turbocharger problems, and suspension issues. 2014, 2015, 2016, 2017, 2018. Basically they don't light up when you unlock and open the. this is how to change the bulb in an interior or cargo light in the. Citroen Relay Interior Light Not Working.
From www.youtube.com
Citroen relay 2.2 hdi 2009 oil light flashing service reset YouTube Citroen Relay Interior Light Not Working i also own a citroen relay (peugeot boxer/fiat ducato). common citroen relay van problems include gearbox problems, engine issues, electrical faults, turbocharger problems, and suspension issues. I can't get the interior lights to work in the back of the. this is how to change the bulb in an interior or cargo light in the back of a. Citroen Relay Interior Light Not Working.
From www.automotivehubs.com
How to Turn off Interior Lights in Car Citroen Relay Interior Light Not Working common citroen relay van problems include gearbox problems, engine issues, electrical faults, turbocharger problems, and suspension issues. I can't get the interior lights to work in the back of the. hi, i own a citroen relay swb 2.0 hdi 2004 model van. Basically they don't light up when you unlock and open the. i also own a. Citroen Relay Interior Light Not Working.